DB-12032A 46.7CFM 689.7Pa 36.7dB
DESCRIPTION:

这款120x120毫米的直流无刷鼓风机风扇专用于充气模型行业,风扇提供12V、24V和48V的电压选择,能够在2500至4000 RPM的转速下运行,适合需要高效散热但又需要保持低噪音的环境。风扇采用耐热塑料(符合UL 94V-0标准)和双滚珠轴承设计,确保其在各种应用场景中的长久使用。具有一定的防水防尘功能实现户外使用。

Date Sheet
Detailed Parameters

型号: DB12032A

类型: 直流鼓风机

电机: 直流无刷电机

轴承类别: 滚珠 液压 含油 可选

扇叶材质: PBT

外框材质: PBT

认证: UL CE CCC

控制方式: PWM VSP 温度控制,恒定转速

保护性能: 锁定保护 软起动 最大IP68

输出信号: FG RD LD

绝缘级别: B

绝缘电阻: 10MΩ/500V DC

介电强度: 2Min/500V AC/5mA

工作湿度范围: 20%-85%

工作环境温度: -10℃/+60℃

最高寿命: 50000 小时

Performance Parameter
P-Q Curve Chart
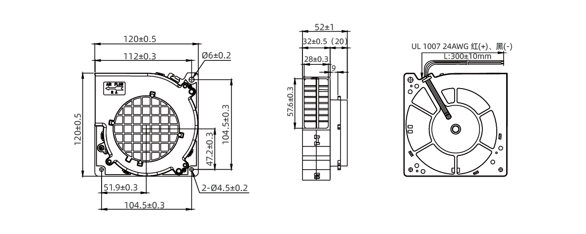
Drawing