DB-5015 4.2CFM 310.2Pa 30.2dB
DESCRIPTION:

The 50x50mm DC brushless blower fan features a compact design, making it ideal for electronic devices requiring strong airflow. The fan is engineered for high efficiency, capable of delivering up to 5 CFM of airflow at speeds up to 7000 RPM, ensuring effective cooling even under heavy loads. With a minimum noise level of 32 dB(A), it is suitable for environments with strict noise requirements. Made from UL 94V-0 compliant heat-resistant plastic, the fan offers excellent flame resistance, ensuring safety and reliability during long-term use.

Date Sheet
Detailed Parameters

Model: DB5015

Fan Type: DC Blower

Motor: Brushless DC Motor

Bearing Type: Ball/Oil/Sleeve, Optional

Blade Material: PBT

Frame Material: PBT

Certification: UL CE CCC

Control Mode: PWM, VSP, Temperature Control, Constant Speed

Protection Performance: Lock Protection, Soft Start, IP Maximum IP68

Output Signal: FG RD LD

Insulation Class: B

Insulation Resistance: 10MΩ/500V DC

Voltage Strength: 2Min/500V AC/5mA

Humidity Range: 20%-85%

Operating Temperature: -10℃/+60℃

Maximum of Life Expectancy: 50000 Hours

Performance Parameter
P-Q Curve Chart
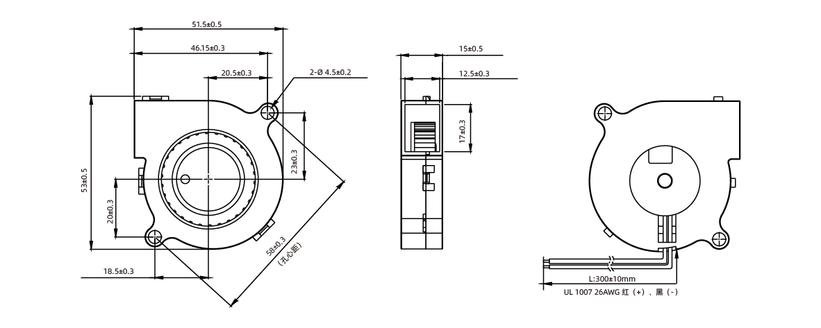
Drawing